Küchengeräte + Dunsthauben-Shop
Beratungshotline: +49 (0)421 / 68 80 88 86
Sprechen Sie mit unseren Experten!
Spare EUR 20,26 extra beim Kauf einer BERBEL-Dunstabzugshaube Nur ein Gutschein pro Bestellung. Keine Barauszahlung. Gilt nicht für Zubehör oder andere Marken. Gültig bis 31.05.2026.
Der Code kann erst nach Login bzw. nach Anlegen eines neuen Kundenkontos (Link) eingeben werden. Gutschein-Code: BERBEL-2026
Kurzbeschreibung dieser Ausführung:
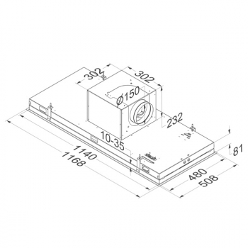
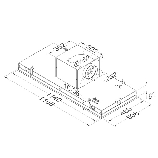
117 cm breite Deckenhaube in Lack weiß mit Dual-LED-Beleuchtung inklusive abnehmbarem CUBIC-Motor (EC-Energiesparmotor)
Anschlusswerte: 230 V, 50 Hz, max. 307 Watt
Gewicht: ca. 18,5 kg ohne Motor und ca. 24,5 kg mit Motor
Motorleistung: 815 m3/h Geräusch bei 447 m3/h Lüfterleistung: nur 48 dB(A) re 1 pW Schallleistungspegel
* = Hinweis zur 5 Jahre Herstellergarantie:
Es besteht eine Herstellergarantie seitens des Garantiegebers NOVY GmbH mit einer Dauer von 5 Jahren. Hierzu ist eine Registrierung beim Hersteller erforderlich. Der räumliche Geltungsbereich des Garantieschutzes ist Deutschland und Österreich.
Die entsprechenden Garantiebedingungen finden Sie hier: https://www.novy.com/de-de/service/information/erweiterte-garantie/
Hinweis: Ihre gesetzlichen Rechte bei Mängeln werden durch dieses Garantieversprechen nicht eingeschränkt und können von Ihnen unentgeltlich in Anspruch genommen werden. Etwaig bestehende gesetzliche Gewährleistungsrechte uns gegenüber bleiben von diesem Garantieversprechen also unberührt.
Bei Fragen zu diesem Artikel rufen Sie uns bitte an!
Oder besuchen Sie für weitere Informationen die Homepage des Herstellers: www.novy-dunsthauben.de
Tipps zur Planung und zum Einbau:
1. Die Planung der richtigen Gerätebreite in Bezug auf Deckenhöhe und Kochfeldbreite:
Die optimale Gerätebreite der Deckenhaube richtet sich, wie bei jeder Dunstabzugshaube, nach der Größe des Kochfelds. Bei Novy Deckenhauben sind folgende Kombinationen empfehlenswert:
Bei Kochfeldbreite bis 80 cm**: Gerätebreite von 87 cm bis zu einer Deckenhöhe von 2,60 Meter
Bei Kochfeldbreite bis 110 cm: Gerätebreite von 117 cm bis zu einer Deckenhöhe von 2,60 Meter
Bei Kochfeldbreite über 110 cm: Gerätebreite von 146 cm oder mehrere schmalere Geräte bis zu einer Deckenhöhe von 2,60 Meter
** = Bei komplett abgehängten Decken empfehlen wir ab Kochfeldbreiten von 80 cm die Gerätebreite von 117 cm.
2. Der Einbau in eine komplett abgehängte Decke: Im relativ seltenen Fall des Einbaus in eine komplett abgehängte Küchendecke ist die Funktion der Deckenhaube optimal. Hier baut sich unterhalb der Decke aus allen Richtungen kommend eine Strömung zum Gerät auf, die auch zur Seite aufsteigenden Dunst anzieht.
3. Der Einbau in einen abgehängten Trockenbau: Zumeist wird über dem Kochfeld bzw. der Arbeitsplatte eine Abhängung aus Holz oder Gipskartonplatten (Rigips / Fermacell) konstruiert, bei der zwei wichtige Punkte zu beachten sind:
a. Die Abhängung sollte groß genug in Breite und Tiefe sein und b. einen sogenannten Wrasenfangreaum von circa 3 bis 5 cm Höhe besitzen.
Bei einer solchen Konstruktion ist zu bedenken, dass der Kochdunst nicht senkrecht nach oben steigt, sondern sich in der Regel mit circa 10-15° Neigung trichterförmig zur Decke bewegt. Wichtig ist, dass dieser komplette Dunst aufgefangen wird, da eine Dunstabzugshaube (egal von welchem Typ oder Hersteller) grundsätzlich erst die Luft erfasst, die circa 15 cm unter dem Gerät ankommt. Die Abhängung sollte also groß genug sein - und das nicht nur zu den Seiten, sondern auch nach hinten und über dem Kopf der Kochenenden. Auf diese Weise wird sicher gestellt, dass kein Kochdunst an der Konstruktion vorbei zieht und sich in der Küche verteilt. Der umlaufende Wrasenfangraum hilft, dass unterhalb der Abhängung ein besserer Unterdruck entsteht und dadurch weniger Dunst daran vorbei ziehen kann. Vermeiden Sie Querströmungen (zum Beispiel bei Kochinseln) unter der Deckenhaube und sorgen Sie bei Abluft für ausreichend geeignete Zuluft. Bei offenen Brennstellen denken Sie bitte an das Mitbestellen eines sogenannten Abluft-Sicherheitsschalters, zum Beispiel des Herstellers BROKO hier im Shop.
4. Die Konstruktion des Trockenbaus: Auf den Längsseiten der Novy Deckenhaube Pure'line befinden sich jeweils zwei Halteklammern aus Metall, die das Gerät im Ausschnitt halten. Für eine einfache und sichere Montage benötigen die Klammern ein stabiles Material mit einer Stärke von 10 bis 35 mm. Der Ausschnitt sollte auf den Längsseiten über eine entsprechend Hohe Konstruktion verfügen. Hierzu eignen sich eine doppelte Rigipsplatte und ein Aluminium CW-Profil mit 6 cm Höhe, das offen zum Ausschnitt montiert wird. Die Halteklammern können dann sicher in das Profil greifen. Alternativ wird über der Rigipsplatte ein entsprechend hohes Holz gelegt, auf das die Halteklammern sicher greifen können.
Sprechen Sie mit uns!
Wir sind Profis für Novy Deckenhauben.